用心做好每一个风扇!
深圳市松莲电子有限公司
当前位置:

产品中心

PRODUCT CENTER


直流风扇3006

直流风扇3006

0.00
0.00
  

直流风扇3006

DC3006轴流风扇3D打印机专用散热风扇低噪音大风量



DC3006轴流风扇,3D打印机专用散热风扇,打印机散热风扇



●一般规格(一般规格)

○材质:

    机架和叶轮:热塑料UL 94-0

○引线:UL型

    红线正极(+)

    黑线负极(-)

○绝缘电阻:10MΩ以上

DC250V兆欧表

○介电耐压:AC500V 1S

○允许环境温度范围:

    -10℃〜+ 70℃(工作)

    -40℃〜+ 70℃(保管)



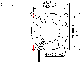
● Dimensions Drawing(外观图)

DC3006轴流风扇,3D打印机专用散热风扇,打印机散热风扇


● Characteristic Curves(特性曲线)

DC3006轴流风扇,3D打印机专用散热风扇,打印机散热风扇


● Specifications(规格)

DC3006轴流风扇,3D打印机专用散热风扇,打印机散热风扇


联系我们

CONTACT US


联系人:刘松华
手   机:18902431810
座   机:0755-29985575
传   真:0755-23000132
邮   箱:liu@songlian-fan.com
地   址:深圳市宝安区沙井街道大王山工业一路二号信隆科技园7楼